Classic Corvairs of River City
Serving Sacramento and surrounding areas
Home
Newsletter
Members Page
Club Photos
Events
Classified
Contact Us
References
Corvair Resources as of November 2024
This PDF file is a Collection of Mechanics, Machine Shops, Online Parts Houses, Online resources and books.
It was compiled by John Heiser of the CCRC.
Corvair_Info_Nov24.PDF
Corvair How-to Articles
Restoring a 1966 Corsa
Upgrading Instrument Panel lights to LED's
Installing a Cruise Control in a Late Model Corvair
Lakewood Wagon Updates and Improvements
Replacing LM rear cross member bushing's with the engine in place
Adding an AUX input to a LM Corvair Radio
Manuals
1960-69 Corvair Parts and Accessory Manual
1961 GM Accessory Reference Manual
1961 Shop Manual Chapter 1 - General Information
1961 Shop Manual Chapter 2 - General Lubrication
1961 Shop Manual Chapter 3 - Suspension
1961 Shop Manual Chapter 4 - Steering
1961 Shop Manual Chapter 5 - Brakes
1961 Shop Manual Chapter 6 - Power Train
1961 Shop Manual Chapter 6A - Engine
1961 Shop Manual Chapter 6B - Clutch
1961 Shop Manual Chapter 6C - Rear Axle
1961 Shop Manual Chapter 6D - Manual Transmissions
1961 Shop Manual Chapter 6E - Automatic Transmissions
1961 Shop Manual Chapter 7 - Engine Tune-Up
1961 Shop Manual Chapter 8 - Electrical Systems
1961 Shop Manual Chapter 9 - Fuel and Exhaust Systems
1961 Shop Manual Chapter 10 - Body (500,700,900, & Four Door)
1961 Shop Manual Chapter 10 - Body (Two Door)
1961 Shop Manual Chapter 11 - Accessories
1961 Shop Manual Chapter 12 - Specifications
1963 GM Accessory Reference Manual
1964 Assembly Manual Excerpts Turbo Section
1964 Shop Manual Chapter 8 - Electrical System
1964 Shop Manual Chapter 9 - Fuel/Exhaust
1964 GM Accessory Reference Manual
1965 Chassis Shop Manual
1965 Corvair Assembly Manual
1965 GM Accessories Reference Manual
1965 Chevrolet Radio Service Manual
1966 Chassis Shop Manual
1966 Fisher Body Manual
1966 Corvair AM Radio Repair Manual
Dealer Documentation
1963 Finger Tip Facts
1964 Corvair Model Lineup
1964 Finger Tip Facts
1964 Owners Guide
1965 Finger Tip Facts
All Years Corvair Model Series Identification
Tuning the Corvair Engine
Carburetor Documentation
1961-63 Carburetor Venturi Clusters by Mike Dawson
1964-69 Carburetor Venturi Clusters by Mike Dawson
1961-62 Rochester "H" Design Changes -- Bulletins 9D-11-61/62
1966 "H" and "HV" Service Manual
Rochester "H" Rebuild Instructions
Carter YH Service Instructions
An Explanation of Carter YH Carburetor
Rochester "YH" Rebuild Instructions
Electrical Documentation
Turn Signal Switch Diagram
1962 Corvair 95 Full Schematic
1962 Corvair Color Schematic
1962 Corvair Schematic with Alternator Mod
1963 Corvair Passenger Car Schematic
1963 Passenger Car Schematic with Alternator Mod
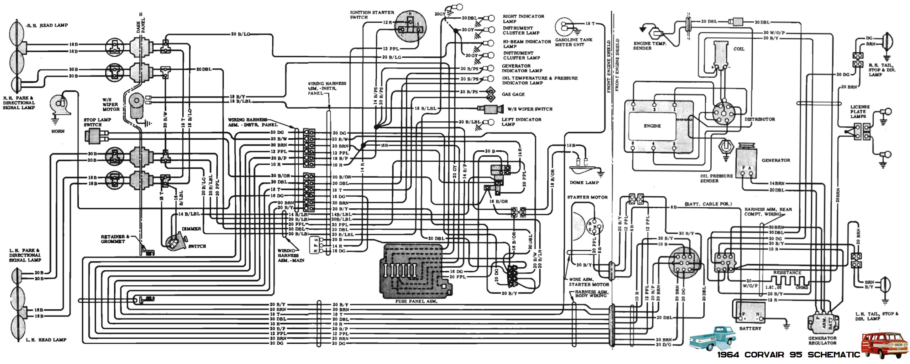
1964 Corvair 95 Full Schematic
1964 Corvair Color Schematic
1964 Corvair Passenger Car Combined Schematic
1964 Corvair Passenger Car Schematic with Alternator Mod
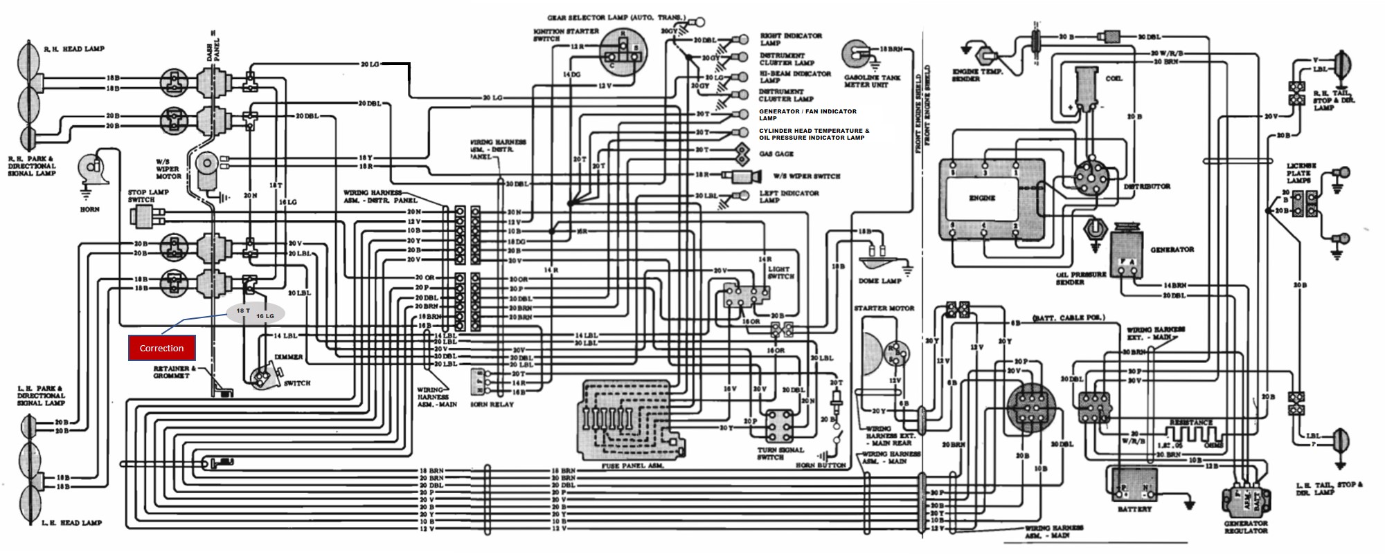
1965 Corvair Corsa Full Schematic Rev D
1965 Corvair Corsa Full Schematic Rev E
1965 Corvair wiring
1965 Color Schematic
Transmission / Differential Documentation
Overhauling the 1961 4-speed Transmission
Overhauling a Corvair Differential
Corvair Differential Articles
Powerglide Transmissions by Bob Ballew
Corvair and Corvair 95 Power Train - REMOVAL AND INSTALLATION
Servicing the Corvair Powerglide - Part 1
Servicing the Corvair Powerglide - Part 2
Servicing the Corvair Powerglide - Parts 3 & 4
GM Corvair Vehicle Information Kit's
1960 Chevrolet Corvair
1961 Chevrolet Corvair
1962 Chevrolet Corvair
1963 Chevrolet Corvair
1964 Chevrolet Corvair
1965 Chevrolet Corvair
1966 Chevrolet Corvair
1967 Chevrolet Corvair
1968 Chevrolet Corvair
1969 Chevrolet Corvair
Publications
CORVAIR GOLD by David Trull
Power Goes to Work by General Motors ©1945
The Corvair Catalog by R. Garrido
Internet Tech Tips compiled by David Trull